
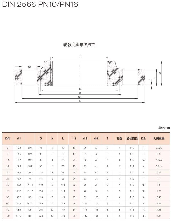
Product Name:DIN Welding Neck Flange
It refers to the flange with neck, which has a round pipe and is connected with the pipe by butt welding. Butt welding flanges are not deformed, well sealed, widely used, with corresponding rigid and elastic requirements and reasonable butt welding thinning transition.







The inspection of stainless steel flange split tee welds shall meet the requirements of NB/T47013. For the pressure test, a water pressure test is adopted, using clean water as the medium. The test temperature should not be lower than 5°C. When testing the austenitic stainless steel split tee, the chloride ion content in the water shall not exceed 50 ppm. The test pressure is calculated by the following formula: Before the test, the tee should be checked for stress under test pressure according to 6.2.5. After the three-way assembly is completed (see Figure 9-1), fix it on the test bench and slowly increase the pressure to the design pressure. After confirming that there is no leakage, continue to increase the pressure to the specified test pressure. The pressure holding time is generally not less than 10 minutes; when holding at the design pressure, hold enough time for inspection, and the pressure should remain unchanged during the inspection.

Qualification standard: During the test, the container should have no leakage, no visible deformation, or abnormal sound. The leakage test shall comply with the following regulations: check that no leakage is present to be qualified; pipelines carrying extremely hazardous, highly hazardous, and flammable fluids should be leak tested. The leakage test should be carried out after the pressure test is qualified. The test medium should be air; the leak test pressure should be the design pressure. The port leakage test should focus on checking the flange seal joints, the seals of the snap ring adjustment holes, etc., using a foaming agent.
Inspection product features: The valve is composed of DCL series fine electric actuators and ultra-short ball valves. Compared with ordinary electric balls, it has a compact structure, small volume, light weight, close distance between the valve seat and end flange, less material retention, and superior sealing performance.

Stainless steel flanges are usually suitable for occasions with strict sealing requirements and are widely used in automatic control in chemical, petroleum, pharmaceutical, light industry, and other industries. The use of a V-shaped ball structure and electronic electric actuators can realize flow adjustment. The raw materials used for the manufacture of pipe fittings and the finished and semi-finished products purchased and outsourced shall be accompanied by the quality certification documents of the production unit, and the material purchasing department shall check and accept the steel materials according to the quality certification. Materials without quality certificates shall not be used in the manufacture of pipe fittings. The materials, chemical composition, and mechanical properties specified in this standard are extracted from GB150, GB/T20801, and the standards cited. The steel plate for common materials for pipe fittings should meet the requirements of GB713. The steel pipe shall meet the requirements of GB6479, GB9948, and GB/T8163. Forgings should meet the requirements of NB/T47008 Class II or above. The upper and lower guard plates and short connections of the pipe fittings are made of steel plates, steel pipes, or forgings as specified in Table 5-2. Flanges, flange benefits, and plugs are made of forgings specified in Table 5-2. The snap ring is made of 35# and 40Cr as specified in Table 5-2. The use of materials other than those in Table 5-2 shall meet the requirements of the current national TSG and standards related to pressure vessels and pressure piping.


